Set cucina G222
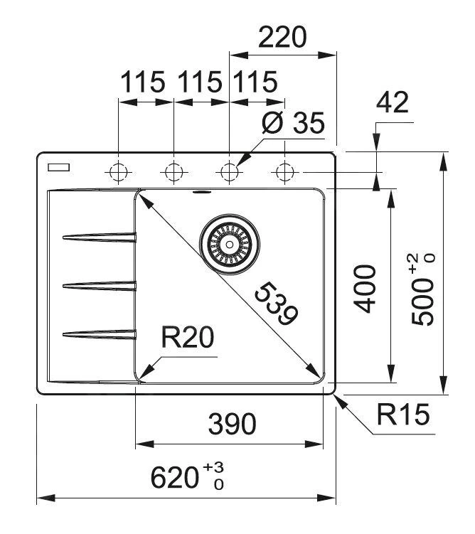
Lavello in fragranite CNG 611-62 TL/7, con gocciolatoio a sinistra
- colore nero opaco
- materiale Fragranit+
- finitura Sanitized®
- adatto al montaggio sopra top
- gocciolatoio a sinistra
- dimensioni 620 × 500 mm
- foro incasso 600 x 480 mm (raggio 15 mm)
- lavello 390 × 400 × 200 mm
- armadietto inferiore da 450 mm
- con troppopieno nascosto
Il prezzo include:
- distanziale per il montaggio del miscelatore per lavello
- valvola del filtro 3 1/2” con troppopieno
- sifone per risparmiare spazio 6/4” con deviazione per la lavastoviglie
- 4 punti per praticare foro
- possibilità di posizionare il dosatore di detersivo
- montaggio con attacchi Fast-Fix
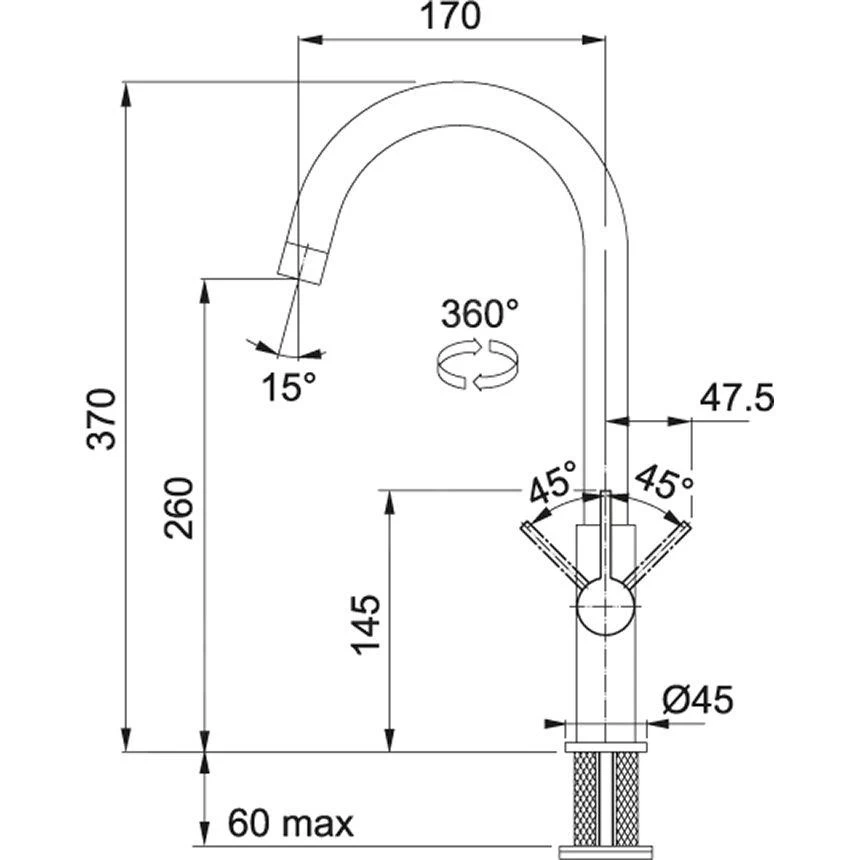
Miscelatore per lavello FP 0408.031
- a pressione
- finitura: cromata
- comando a leva
- girevole a 360°
- altezza: 370 mm
- comfort zone: 260 mm
- portata dell’acqua 10 l/min (pressione 3 bar)
- connessione: tubi flessibili 400 mm
Al fine di salvaguardare il prodotto da eventuali danni in fase di spedizione, lo stesso potrebbe essere consegnato senza l’imballaggio originale.






















Recensioni
Ancora non ci sono recensioni.