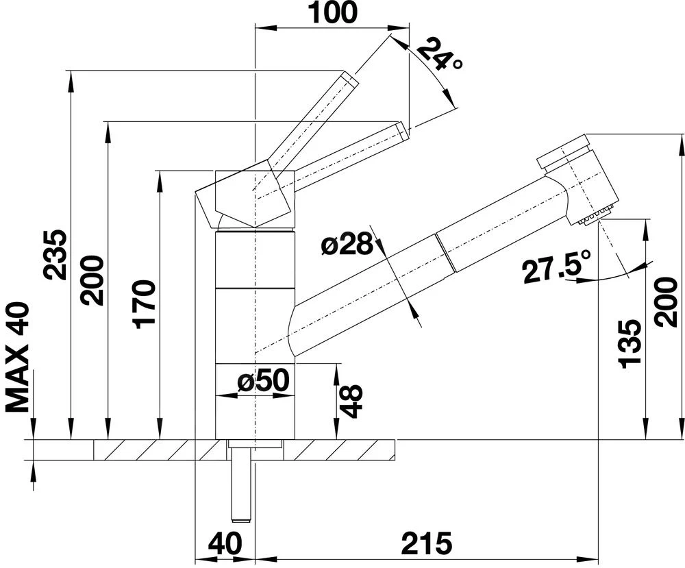
Miscelatore monocomando per lavello con doccetta estraibile
- Silgranit Look – colore del silgranit, da combinare con lavelli Silgranit PuraDur
- colore: alluminio/cromato
- montaggio: monoforo, verticale
- braccio di erogazione girevole, rotazione fino a 120°
- doccetta estraibile
- 2 tipi di getto della doccia
- commutazione dei getti tramite il pulsante sulla doccia
- cartuccia in ceramica con guarnizione
- aeratore con riduzione del calcare
- flessibile lungo 450 mm
- dado 3/8 per un’installazione facile e sicura
- inclusa base stabilizzatrice
- valvola di non ritorno contro il riflusso di acque sporche


















Recensioni
Ancora non ci sono recensioni.